free css templates

消防/安全扬声器

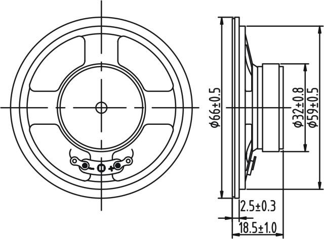
YD66-3-8F32M

Mobirise
YD66-3-8F32M

型号: YD66-3-8F32M
产品类别
应用: 消防/安全
尺寸: 51-77mm
功能图标:
功能: 窄频带,防水
参数:
直径: Oslash;66mm
纸盆材质: Mylar
纸盆边: Mylar
额定功率: 3w
最大功率: 5w
阻抗: 8±15%OΩ
音圈: Oslash;13.3mm
谐振频率: 350±20%Hz
频响范围: 350Hz-4.5KHz
灵敏度: 82±3dB/1W/1M
磁铁尺寸: Oslash;32*Oslash;18*6 (Ferrite)


净重: 53.5g

  

 

  
联系我们
  • 地址:常州市新北区西夏墅镇中路128号  

  • 电话:
  • +86-(0)519-83431031
  • +86-(0)519-83434780

  • 传真:0519-83431086

  • 邮箱: sales@teranovo.com
友情链接
  • 江苏巨数智能科技有限公司